|
公司基本資料信息
|
|||||||||||||||
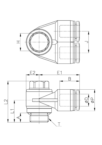
PA06-G01,PA08-G02,PA10-G02,PA10-G03,PA12-G03,PA12-G04,快插式管接頭
外形尺寸

| Model | ∅D | ∅P | T | L1 | L2 | J | E1 | E2 | A | B | H(Hex) | ORIFICE | WEIGHT(g) | EA(BOX) |
| PA06-G01 | 6 | 12.5 | G 1/8 | 14.3 | 24.7 | 12.5 | 23.1 | 7 | 5 | 16.4 | 8 | 3.5 | 20 | 25 |
| PA08-G02 | 8 | 14.8 | G 1/4 | 15.2 | 28.3 | 14.8 | 27.9 | 9 | 6.5 | 18.3 | 12 | 6.5 | 30 | 25 |
| PA10-G02 | 10 | 17.5 | G 1/4 | 16.9 | 28.3 | 17.5 | 30.9 | 9 | 6.5 | 20.2 | 12 | 5.1 | 34 | 25 |
| PA10-G03 | 10 | 17.5 | G 3/8 | 19.1 | 33 | 17.5 | 30.9 | 11.3 | 6.5 | 20.2 | 14 | 7.2 | 58 | 20 |
| PA12-G03 | 12 | 20.5 | G 3/8 | 17.6 | 33 | 20.5 | 35.8 | 11.3 | 6.5 | 22.4 | 14 | 6.8 | 61 | 12 |
| PA12-G04 | 12 | 20.5 | G 1/2 | 20.9 | 37.7 | 20.5 | 36.3 | 14 | 8 | 22.4 | 19 | 6.8 | 87 | 12 |