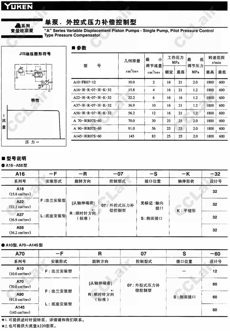
A16,A22,A37,A56,A70,A10,A90,A145,A16-F-R-07-S-K-32,A10-FR07-12,變量柱塞泵
A22-F-R-07-S-K-32,A37-F-R-07-S-K-32,A56-F-R-07-S-K-32,A16-L-R-07-S-K-32,
A22-L-R-07-S-K-32,YUCIYUKEN A37-L-R-07-S-K-32,A56-L-R-07-S-K-32,A16-F-R-07-K-32,
A22-F-R-07-K-32,A37-F-R-07-K-32,A56-F-R-07-K-32,A16-L-R-07-K-32,
A37-L-R-07-K-32,A56-L-R-07-K-32,A70-FR07S-60,A90-FR07S-60,A145-FR07S-60,
A70-LR07S-60,A90-LR07S-60,A145-LR07S-60,A22-L-R-07-K-32,榆次油研
