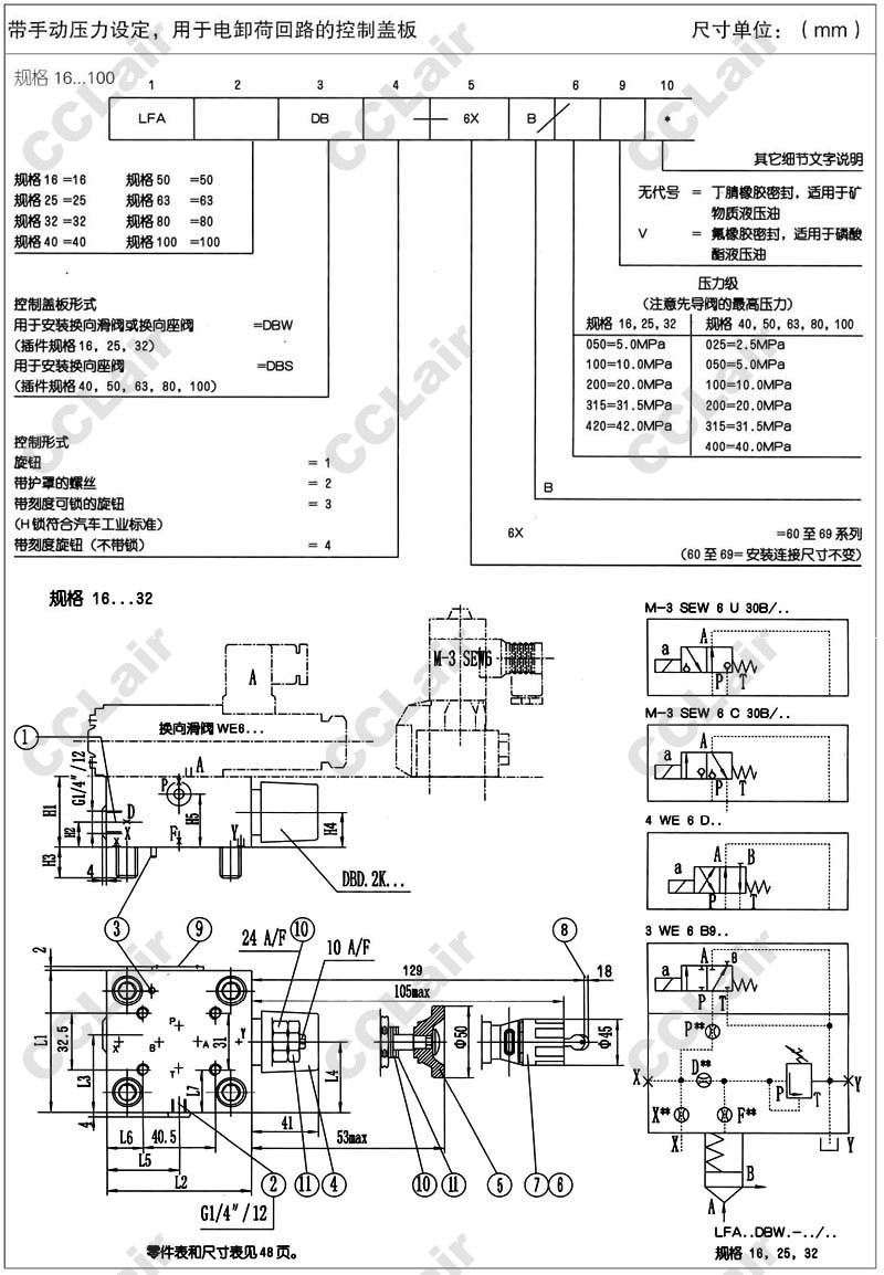
LFA16DBW,LFA25DBW,LFA32DBW,LFA40DBS,LFA50DBS,LFA63DBS,LFA80DBS,LFA100DBS,LFA100DBS4-6X,huade控制蓋板


LFA25DBW4-6X,LFA32DBW1-6X,LFA32DBW2-6X,LFA32DBW3-6X,LFA32DBW4-6X,LFA40DBS1-6X,LFA40DBS2-6X,
LFA40DBS3-6X,LFA40DBS4-6X,CCLair LFA50DBS1-6X,LFA50DBS2-6X,LFA50DBS3-6X,LFA50DBS4-6X,
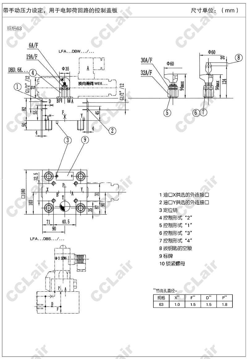
LFA63DBS1-6X,LFA63DBS2-6X,LFA63DBS3-6X,LFA63DBS4-6X,LFA80DBS1-6X,LFA80DBS2-6X,
LFA80DBS4-6X,LFA100DBS1-6X,LFA100DBS2-6X,huade品牌 LFA100DBS3-6X,LFA80DBS3-6X,LFA25DBW3-6X,