|
公司基本資料信息
|
|||||||||||||||
產品特點
測量范圍0~6KPa~60MPa
硅壓阻式OEM充油壓敏元件
可靠性高、穩(wěn)定性好
尺寸小,結構輕巧
全316L不銹鋼
產品應用
對316L不銹鋼無腐蝕的氣體、液體壓力測量
過程控制系統(tǒng)
壓力變送器
制冷系統(tǒng)
空壓機
|
量程范圍 |
0~6KPa~60MPa |
|
允許過載 |
小于等于額定量程的1.5倍或110MPa(取最小值) |
|
供電電源 |
恒流:1.5mA 恒壓:9VDC |
|
零位輸出 |
<±2 mV |
|
滿量程輸出 |
DC100±20 mV |
|
精確度 |
±0.1 %(最小) ±0.25%(典型) ±0.5%(最大) |
|
長期穩(wěn)定性 |
±0.3%F.S/年 |
|
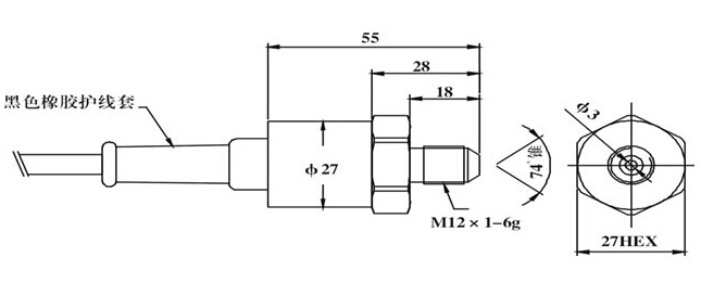
壓力接口 |
M12×1或用戶自選 |
|
補償溫度 |
0℃~70℃ |
|
工作溫度 |
-10℃~80℃ |
|
貯存溫度 |
-40℃~100℃ |
|
外殼材質 |
不銹鋼1Cr18Ni9Ti |
|
膜片材質 |
316L |
|
O型密封圈 |
氟橡膠 |
|
電纜 |
聚乙烯 |
|
絕緣電阻 |
100MΩ 100VDC |
|
外殼防護等級 |
IP65 |
