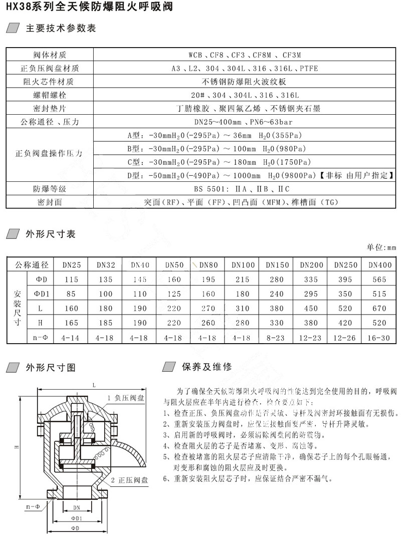
HX38-6C-DN25,HX38-6C-DN150,HX38-63C-DN40,HX38-63C-DN250,防爆阻火呼吸閥


HX38-6C-DN32,HX38-6C-DN40,HX38-6C-DN50,HX38-6C-DN80,
HX38-6C-DN100,CCLAIR,HX38-6C-DN200,HX38-6C-DN250,HX38-6C-DN400,
HX38-63C-DN25,HX38-63C-DN32,HX38-63C-DN50,HX38-63C-DN80,
HX38-63C-DN100,HX38-63C-DN150,HX38-63C-DN200,HX38-63C-DN400,