|
公司基本資料信息
|
|||||||||||||||

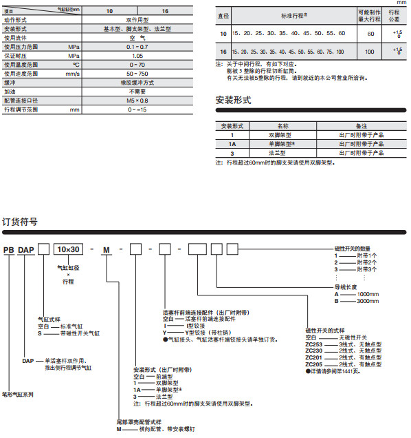
PBDAP10*15,PBDAP10*20,PBDAP10*25,PBDAP10*30,PBDAP10*35,PBDAP10*40,PBDAP10*45,PBDAP10*50,PBDAP10*55,PBDAP10*60 PBDAP16*15,PBDAP16*20,PBDAP16*25,PBDAP16*30,PBDAP16*35,PBDAP16*40,PBDAP16*45,PBDAP16*50,PBDAP16*55,PBDAP16*60 PBDAP16*75,PBDAP16*100,PBDAPS10*15,PBDAPS10*20,PBDAPS10*25,PBDAPS10*30,PBDAPS10*35,PBDAPS10*40,PBDAPS10*45 PBDAPS10*50,PBDAPS10*55,PBDAPS10*60,PBDAPS16*15,PBDAPS16*20,PBDAPS16*25,PBDAPS16*30,PBDAPS16*35,PBDAPS16*40 PBDAPS16*45,PBDAPS16*50,PBDAPS16*55,PBDAPS16*60,PBDAPS16*75,PBDAPS16*100