|
公司基本資料信息
|
|||||||||||||||







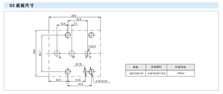
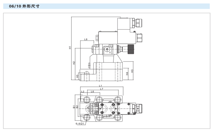
GDYXW10-5A,GDYXW10-10A,GDYXW10-20A,GDYXW10-31.5A,GDYXW10-5A-1/10D24A/53 隔爆電磁卸荷溢流閥 GDYXW10-5A-1/10D24A/53,GDYXW10-10A-1/10D24A/53,GDYXW10-20A-1/10D24A/53,GDYXW10-31.5A-1/10D24A/53, GDYXW10-5A-1Y/10D24A/53,GDYXW10-10A-1Y/10D24A/53,GDYXW10-20A-1Y/10D24A/53,GDYXW10-31.5A-1Y/10D24A/53, GDYXW10-5A-2/10D24A/53,GDYXW10-10A-2/10D24A/53,GDYXW10-20A-2/10D24A/53,GDYXW10-31.5A-2/10D24A/53, GDYXW10-5A-2Y/10D24A/53,GDYXW10-10A-2Y/10D24A/53,GDYXW10-20A-2Y/10D24A/53,GDYXW10-31.5A-2Y/10D24A/53,