|
公司基本資料信息
|
|||||||||||||||
QGBII-C32,QGBII-C40,QGBII-C50,QGBII-C63,QGBII-C80,QGBII-C100,QGBII-C125,QGBII-C160,QGBII-C200,三位氣缸
一、特點:
兩種均為QGBⅡ系列相同缸徑的氣缸串聯而成的雙活塞氣缸,兩活塞運動方向相同。
QGBⅡ-J系列為增力氣缸,前后兩活塞桿聯為一體,其桿端輸出力為單活塞推、拉力之和,拉力為單活塞拉力二倍。
此產品也可作為氣液阻尼氣缸應用。
QGBⅡ-C系列為三位氣缸前后兩活塞桿單獨分開。當前缸行程(S)大于后缸行程(S1)時,前端活塞桿頭有三個位置。
QGBⅡ-J S=S1) 對QGBⅡ-C S>S1。
適用前后法蘭(MF1、MF2)腳架(MS1)和單雙耳尾座(MP4、MP2)安裝形式,其安裝件與QGBⅡ相同。
二 、圖形符號:

三、型號說明:

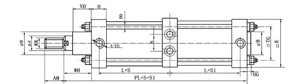
四、外形及安裝尺寸:

| 缸徑 | 32 | 40 | 50 | 63 | 80 | 100 | 125 | 160 | 200 | 250 | 320 |
| PL | 192 | 215 | 230 | 249 | 267 | 292 | 345 | 395 | 410 | 441 | 490 |
| N | 17 | 20 | 24 | 28 | 28 | 35 | 35 | 50 | 50 | 80 | 70 |
| EE | M8*1 | M10*1 | M10*1 | M14*1.5 | M14*1.5 | M18*1.5 | M18*1.5 | M22*1.5 | M22*1.5 | M27*2 | M33*2 |
| L | 72 | 80 | 85 | 91 | 93 | 103 | 120 | 135 | 135 | 141 | 155 |